Understanding Offset and Center-Hung Pivots
Offset and center-hung pivots play a crucial role in ensuring smooth door operation. Offset pivots ensure balance and weight distribution, while center-hung pivots offer seamless movement and architectural versatility.
The foundations of smooth door operation
When it comes to architectural design, every detail counts, including the door hanging means (or how doors are hung). Offset and center-hung pivots play a crucial role in ensuring smooth door operation. These innovative mechanisms not only provide structural support but also offer aesthetic appeal. In this blog, we will delve into the basics of offset and center-hung pivots, exploring their functions and benefits in enhancing door functionality.
Offset pivots: Opening doors to balance and durability
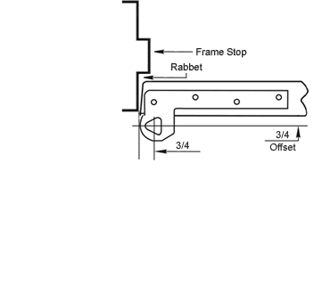
Offset pivots are mounted on the top and bottom of a door. They are designed to create an offset distance between the pivot point and the hinge line, allowing the door to pivot smoothly. This unique configuration distributes the weight of the door evenly, making it easier to open and close. Some benefits of offset pivots include:
- Balance and stability: Offset pivots ensure that the door's weight is evenly distributed along the vertical axis. This balanced pivot point reduces stress on the door frame, resulting in enhanced durability.
- Minimalist look: Except for a small knuckle at the top of the door and arm cap at the bottom, the pivot doesn’t take away from the beautiful architectural design.
- Door alignment: Offset pivots facilitate precise alignment of the door. This feature ensures that the door operates smoothly, preventing sagging or sticking issues that may arise over time.
- Weight-bearing capacity: Offset pivots are known for their exceptional weight-bearing capabilities. They can support heavy doors without compromising on functionality or causing unnecessary strain. With the addition of intermediate pivots, doors above 9’ tall are easily supported.

Center-hung pivots: The art of balance and seamless movement
Center-hung pivots are installed at the exact center of the door thickness. Unlike offset pivots, they provide a symmetrical appearance when the door is closed. Center-hung pivots are commonly used in high-traffic areas and large, heavy doors. Some benefits of center-hung pivots include:
- Smooth operation: Center-hung pivots allow doors to swing smoothly and effortlessly, thanks to their central positioning. The weight of the door is evenly distributed, resulting in reduced friction and enhanced ease of use.
- Concealed hardware: Since center hung pivots are mounted away from the edge of the door, they remain hidden when the door is closed. This clean, minimalist look adds a touch of sophistication to any architectural design.
- Versatility: Center-hung pivots can accommodate a wide range of door sizes and weights, making them suitable for various applications, from commercial buildings to residential homes.
- Enhanced security: Center-hung pivots are robust and reliable, providing increased security by minimizing the risk of tampering or forced entry.

Offset and center-hung pivots are fundamental components that contribute to the overall functionality and aesthetics of doors. Whether you are designing a commercial space or a residential dwelling, understanding the basics of these pivots is essential for creating a smooth, durable, and visually appealing entryway. Offset pivots ensure balance and weight distribution, while center-hung pivots offer seamless movement and architectural versatility. By selecting the appropriate pivot, you can elevate your door's performance and leave a lasting impression on visitors and occupants alike.